欢迎来到-
无锡华科机械设备有限公司
的官方网站!
简体中文
ENGLISH
导航
国内销售:
0510-88783691
外贸电话:
0510-88782152
×
走进华科
公司简介
资质荣誉
工程实例
国际合作
升降机
升降平台
电动吊篮
设备租赁
华科新闻
联系我们
客户反馈
联系我们
English
华科机械让高不可攀变得轻而易举
电动吊篮
吊篮结构图
吊篮悬挂机构
吊篮工作平台
吊篮提升机
吊篮安全锁
电箱
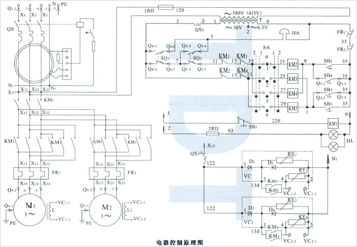
电器控制系统采用多种保护装置,自动限位、漏电保护、过热保护、紧急制动、电流过载保护,操作简便,安全可靠。
◀ 上一篇
返回顶部
下一篇 ▶
首页
企业简介
资质荣誉
国际合作
工程实例
视频中心
华科资讯
新闻动态
公司资讯
行业动态
常见问题
产品展示
升降机
施工升降平台
电动吊篮
联系我们
联系方式
客户反馈
无锡华科机械设备有限公司
地址:无锡锡山区羊尖工业园胶阳路120号
邮编: 214107
邮箱:sales@china-tdt.com
销售部: 国内销售(0510-88783691)
手机: 132 6967 2685
手机: 152 6153 1555
外贸电话(0510-88782152)
售后服务 孙师傅:139 2129 7568